Prikaži cene z vključenim DDV
Prikaži cene brez DDV
Registrirajte se
Vpiši se
Seznam želja
(0)
Nakupovalna košarica
(0)
V nakupovalni košarici nimate izdelkov.
Domov
Delavnica
Orodje
Ročno orodje
FESTOOL kovčki za orodje
Mizarska dleta leseni obliči
Stege mizarske
Klešče Wiha ,Knipex,Gedore
Noži olfa-noži za furnir
Škarje za papir in železo
Izvijači pz - ph - tx - ravni
Ključi viličasti obročni imbus
Ročne žage in pop neti
Detektorji-vlagomer-primeži
Kotne glave kovinske
Kladiva sekire pile rašple
Žične ščetke - krtače
Pleskarsko orodje
Svinčniki - krede
Metri in merila
Laserji-stojala za laser
Kotniki kotomeri
Vodne tehtnice
Označevalne vrvice-prah
Povezovalni trakovi
Ročni spenjači sponkači
Kovčki torbice vozički
Snemalci ležajev,jermenic
Točkala,sekači,izbijači,prebijala
Pripomočki razno
ELEKTRIČNO ročno orodje
FESTOOL električno orodje
FESTOOL sesalniki
Kompaktni sesalnik
Sesalnik za delavnico
Sesalnik za gradbišča
Čistilni sesalnik
Sesalnik za azbest
Sesalnik za systainer
FESTOOL čistilec zraka
FESTOOL ročne žage
FESTOOL rezkalniki
FESTOOL brusilniki
FESTOOL skobeljni stroji
FESTOOL DOMINO sistem
FESTOOL vbodne žage
FESTOOL vrtalni stroji
FESTOOL robna lepilka
FESTOOL vakum črpalka
FESTOOL diamantni sistem
FESTOOL tračni brusilniki
FESTOOL obnovitveni frezer
FESTOOL rotacijski polirniki
FESTOOL Mečne žage
FESTOOL dodatki
FESTOOL sesalci dodatki
FESTOOL filter vrečke
FESTOOL čistilne garniture
FESTOOL glavni filtri
FESTOOL sesalne cevi
FESTOOL čistilni pripomočki
FESTOOL podaljški cevi
FESTOOL sistemski dodatki
FESTOOL žage dodatki
FESTOOL kopirni obroči
FESTOOL ležaji rezkarjev
FESTOOL vpenjalne matice
FESTOOL priklopni kabel
FESTOOL brusne plošče
Milwaukee električno orodje
Vrtalniki in udarni vrtalniki
Vijačniki in udarni vijačniki
Kotni brusilniki Milwaukee
Krožne žage Milwaukee
Vbodne žage Milwaukee
Večnamenske žage
Zajeralna žaga in mize
Tračne žage Milwaukee
Vrtalna kladiva SDS-plus
Vrtalna kladiva SDS-max
Brusilniki Milwaukee
Rezkalnik lamelnih utorov
Rušilna kladiva Milwaukee
Diamantni vrtalniki-rezkalniki
Magnetni vrtalniki
Sesalniki Milwaukee
Milwaukee pribor
Makita električno orodje
AEG električno ročno orodje
Lamello tehnologija spajanja
HOLZMANN MASCHINEN
ACCU ročno orodje
FESTOOL accu orodje 18V
FESTOOL ACCU žage 18 V
FESTOOL ACCU vrtalke
FESTOOL ACCU vbodne
FESTOOL ACCU brusilniki
FESTOOL ACCU kotni
FESTOOL ACCU kladiva
FESTOOL ACCU rezalnik
FESTOOL accu izvijač
FESTOOL accu bat/polnilci
FESTOOL ACCU domino
FESTOOL ACCU rezkar
FESTOOL accu sesalniki
FESTOOL accu orodje 12V
Milwaukee accu orodje 12V
Vijačniki 12V Milwaukee
Udarni vijačniki 12V
Kotni vijačniki 12V
Udarne račne 12V
Vrtalna klad. SDS plus 12V
Kotni brusilniki 12 V
Polirniki 12V Milwaukee
Večnamensko orodje 12V
Krožne žage 12V
Vbodne žage 12V
Tračne žage 12V
Mazalke,kit pištole 12V
Akumulatorske baterije 12V
Polnilniki 12V Milwaukee
Seti orodij 12V Milwaukee
Milwaukee accu orodje 18V
Udarni vijačniki-vrtalniki 18 V
Udarni vijačniki 18 V
Kotni vijačniki-vrtalniki 18 V
Kombinirana vrtalna kladiva
Pištole za kit 18 V
Premi brusilniki 18 V
Kotni brusilniki 18 V
Zabijalnik žebljev in sponk 18 V
Večnamenske žage 18 V
Večnamensko orodje 18 v
Skobeljniki 18 V Milwaukee
Vbodne žage accu 18 V
Feni za vroč zrak 18 V
Krožne žage accu 18 V
Polirniki 18 V Milwaukee
Škarje - klešče 18 V
Tračne žage 18 V Milwaukee
Zajeralne žage accu 18V
Svetilke 18 V Milwaukee
Akumulatorske baterije 18V
Mazalke 18 V Milwaukee
Polnilniki 18 V Milwaukee
Ekscentrični brusilniki 18V
Sesalniki 18 V Milwaukee
Radijski sprejemniki 18 V
Seti orodij 18 V Milwaukee
Vrtna orodja 18 V Milwaukee
Milwaukee accu orodje 28V
Milwaukee MXF accu orodja
Makita accu orodje 18 V
Pnevmatsko orodje
Kompresorji za zrak
Spenjači pnevmatski za les
FESTOOL brusilniki na zrak
Sponke palične za spenjače
Žeblji za spenjače
Žebljički za spenjače
Kartuše za zrak
Iglice za spenjače
Cevi za zrak
Pnevmatski pribor
Rezilno orodje
Kronske žage HSS
Kronske žage HM
Listi za krožne žage
FESTOOL listi za žage
FESTOOL rezila vbodne
Listi za vbodne žage
Listi lisičji rep
FESTOOL rezila rezkarjev
Nadrezkarji HM za les
Grezila za les in kovino
Navojna rezila
Rezkarji za les
Svedri les,kovina,beton,pvc
Svedri za vrtanje v les
Svedri za umetno maso in les
Svedri za vrtanje v kovino
Svedri za vrtanje v beton
Svedri za keramiko in steklo
Svedri mozničarji
FESTOOL diamantne rezalke
Noži rezila za rezkar
Multi funkcijsko orodje
Vijaki in pribor
Vijaki SPAX
Vijaki SPAX za lesene terase A2/A4
Vijaki SPAX za lesene fasade A2
Vijaki SPAX za ALU terase A2
Vgreznjena glava PZ WIROX
Vgreznjena glava PZ YELLOX
Vgreznjena glava TX WIROX
Vgreznjena glava TX inox A2
Vijaki SPAX vgr. glava TX črni
Bombirana glava PZ WIROX
Bombirana glava TX inox A2
Lečasta glava PZ WIROX
Vijaki za masivo WIROX
Krožna glava TX WIROX
Vijak za akustične panele
Vijaki zidni TX 30 WIROX
Vijaki Spax Fex-A in Fex-KS
Vijaki Spax za MDF WIROX
Vijaki za hrbtišče WIROX
Vijak za korpus omare
Vijaki SPAX za polaganje
Spax pripomočki
SPEED iverni vijaki
SPEED vijak z ugr. glavo, 3.0 x ..
SPEED vijak z ugr. glavo, 3.5 x ..
SPEED vijak z ugr. glavo, 4.0 x ..
SPEED vijak z ugr. glavo, 4.5 x ..
SPEED vijak z ugr. glavo, 5.0 x ..
SPEED vijak z ugr. glavo, 6.0 x ..
Vijačni pribor
Zidni vložki MUNGO,FISCHER
Vijačni nastavki
Držala za nastavke
Matice razne metrični navoj
Navojne palice
Podložke cinkano
Cevne objemke
Napenjalci za žico
Vijaki montažni
Vijaki za post. okovje
Vijaki povezovalni-stojni
Vijaki za mavčne plošče
Vijaki euro sistemski
Vijaki za ročaje
Vijaki vezni
Vijaki za pločevino
Brušenje,predalniki,čistila
Brusni papir Bohr,3M
Brusni papir Festool
Brusilni lamelni disk
Brusilna pahljača
Rezalno brusne plošče
Rezkalni nastavek
Brusilni nastavek
Izdelki za poliranje
FESTOOL podloge za poliranje Ø 80
FESTOOL podloge za poliranje Ø 150
FESTOOL podloge za poliranje Ø 180
FESTOOL podloge za poliranje Ø 200
FESTOOL Podloge Za Poliranje Ø 230
FESTOOL pasta za poliranje .
PASTA ZA POLIRANJE 3M
Transport
PVC predalniki,zaboji
Čistila za čiščenje
Lepila,kiti,premazi,spreji
Zaščitni spreji
Kiti za les
Lepila in lepljenje
Tesnilne mase-silikoni
Korekturni voski
Mehki korekturni voski
Trdi korekturni voski
Korekturni flomastri
Pribor za delo
Lepilni trak
Poliuretanska pena
Injekcijske malte
Preše-pištole za kit-pur
ILVA lesni premazi
Oblačila in zaščitna oprema
Delovne hlače in pasovi
Puloverji in majice
Jakne in brezrokavniki
Nogavice in kape
Delovni čevlji
Zaščitne rokavice
Zaščitna očala
Ovijalna folija
Zaščitna oprema
Vse za dom
Okovje
Pohištveno okovje Blum
Sistemi odmičnih spon
Spone clip Blum
Spone kotne clip
Spone clip ALU okvir
Ploščice clip
Spone modul
Spone za steklena vrata
BLUM REVEGO
BLUM REVEGO uno set tirnic za žep
BLUM REVEGO duo set tirnic za žep
BLUM REVEGO uno set nosilcev za spone
BLUM REVEGO duo set nosilcev za spone
BLUM REVEGO duo set vodil za tekalna kolesa
BLUM REVEGO duo/uno set za montažo, komb. vrata
BLUM REVEGO duo in uno set veznikov za žep
BLUM REVEGO pribor za montažo
Sistemi vodil BLUM
Vodila tandem delni
Tandem blumotion delni
Tandem TIP-ON delni
Tandem 19 Blumotion delni
Tandem 19 TIP-ON delni
Vodila tandem polni
Tandem blumotion polni
Tandem TIP-ON polni
Tandem 19 Blumotion polni
Tandem 19 Tip-on polni
Vodila tandem pribor
MOVENTO–760H/766H
Movento Blumotion –760H/766H
Movento TIP-ON – 760H/766H
Movento TIP-ON Blumotion –760H/766H
MOVENTO BLUMOTION 760H - izvlečna polica
Vodila movento 760/766H - pribor
Sistemi Box BLUM
Metabox delni izvlek
Delni višina N= 54 mm
Delni višina M= 86 mm
Delni višina K= 118 mm
Delni višina H= 150mm
Delni višina B= 175 mm
Delni boxside D= 239 mm
Metabox pribor
Tandembox Antaro
Antaro N=68,5mm
Antaro M=83,6mm
Antaro K=115,6mm
Antaro C=192mm-M
Antaro C=192mm al-M
Antaro D=224mm al-M
Antaro D=224mm-M
Antaro D=224mm-K
Antaro C pom.korito
Antaro D pom.korito
Antaro notr. predali
Notranji predal M=83,6mm
Notranji predal K=115,6mm
Notranji predal C=192mm
Notranji predal D=224mm-M
Notranji predal-D=224mm-K
Tandembox Intivo
Intivo N = 68,5mm
Intivo M=83,6mm
Boxcover-Pom.korito
Boxcap-Pom.korito
TIP-ON blumot. tandembox
Legrabox pure
Predal N=66,5mm
Predal M=90,5mm
Predal K=128,5mm
Predal C=177mm
Predal F=241mm
Notranji predali pure
Predal - M=90,5mm
Predal - K=128,5mm
Vmesni element – C
Enojni okvir C
Legrabox free
Predal C-177mm
Pom.korito M=90,5mm
Pom.korito C=177mm
Predal–C–vmesnik-korito
Notranji predali free
Vmesni element free – C
Enojni okvir – C
Vmesni element steklo
TIP-ON legrabox
TIP-ON blumotion legrabox
BLUM CABLOXX
BLUM MERIVOBOX
Merivobox N - 68.5 mm
Merivobox M - 91 mm
Merivobox K - 129 mm
Merivobox E - 192 mm enojni reling
Merivobox E - 192 mm-boxcover
Merivobox E - 192 mm-boxcap
Merivobox notr.predali
Merivobox notranji predal višina M - 91 mm
Merivobox notranji predal višina K - 129 mm
Merivobox notranji predal višina E - 192 mm
Merivobox notranji predal višina E1 - 192 mm
Merivobox notranji predal višina E2 - 192 mm
BLUM MERIVOBOX SETI
Merivobox seti N - 68.5 mm
Merivobox seti M - 91 mm
Merivobox seti K - 129 mm
Merivobox seti E-reling
Merivobox seti E-Boxcover
Merivobox seti M za korito
Merivobox seti E reling za korito
Ambia-line za LEGRABOX
Kovinska izvedba M / K
Lesena izvedba M / K
Kovinska izvedba C / F
Lesena izvedba C / F
Kov.izvedba-steklenice
Kuhinjski pribor
ORGA-LINE za TANDEMBOX
Kompleti standardne širine
Kombinirani kompleti
Posamični kompleti
Orga-line pribor
Sistemi dvižnih vrat
Aventos HKi
Aventos HF TOP
Aventos HL TOP
Aventos HS TOP
Aventos HK TOP
Aventos HK-S
Aventos HK-XS
Aventos HF
Aventos HS
Aventos HL
Aventos HK
Tip on za vrata
Blumotion za vrata
Servo drive Blum
Blum obdelovalni pripomočki
Expando T
BLUM SPACE
Pohištveno okovje
Pohištvene ključavnice Siso
Pohištvene ključavnice Hekna
Ključavnice za steklo
Pohištveni ročaji
Pohištveni ročaji RUJZ
Ročaji Rujz Aluminij
Ročaji Rujz kovina
Ročaji Rujz iz lesa
Ročaji Rujz Vintage
Ročaji RUJZ utopni
Ročaji Rujz dvojni
Ročaji Rujz plastika
Ročaji Rujz ročke
Številke Rujz
Ročaji za steklo
Ročaji inox
Ročaji iz jekla
Ročaji iz aluminija
Ročaji PVC
Ročaji iz zamaka
Ročaji utopni
Ročaji gumbi
Držala za steklo
Pohištvene noge
Spone steklena vrata
Pohištvena kolesa
Sistem vodil standard
Sistem vodil Accuride
Izvlečna vodila za mize
Pohištvene konzole
Regulacijske nogice
Zapahi in zaskočniki za vrata
Garniture za spajanje
Spone sklepne in vmesne
Posteljno okovje,lestev,noge
Mizna kotna vez,mizne spone
Centrirni čepi
Spustni in dvižni sistemi
Drsniki pohištveni
Nosilci polic
Nosilci vis.elementov
Kotniki pohištveni
Pribor za čevlje
Cevi in nosilci cevi
Stavbno okovje
Kljuke in bunke za vrata
Ključavnice za vrata
Ključavnice drsna vrata
Ključavnice kov. vrata
Ključavnice na magnet
Ključavnice večtočkovne
Spone za steklena vrata
Ključavnice steklena vrata
Cilindrični vložki
Dodatki za ključavnice
Obešanke ključavnice
Nevidna nasadila
Nasadila za vrata
Šablone za nasadila
Elektromagneti za vrata
Kapice za nasadila
Blažilci in vratni ročaji
Prezračevalne rešetke alu
Zračniki za zračenje
Varnostni opornik
Držala nosilci za ograjo
Avtomati za rolete in pololive
Nasadila nihajna vrata
Varilne spone-tečaji
Kukala in tolkala za vrata
Samozapirala za vrata
STILI-regalni sistem
Kompakt okovje Inox
Spone in pribor za savne
Okovje za tuš kabine
Vodila drsna vrata do 80 kg
Vodila drsna vrata do 500kg
Seti drsnih vrat
Stekla in les drsnih vrat
Drsno okovje Slider
Pohištveni elementi
Kuhinjski elementi
Koši za smeti
Pomivalna korita
Kuhinjske armature
Koši in košare za perilo
Izvlečne košare
Izvlečne kolone
Kotni elementi
Podnožja pvc za omare
Vložki za pribor PVC
Protizdrsna podloga
Sifoni za umivalnike
Dodatki za elemente
Kuhinjski aparati
Indukcijske plošče
Steklo keramične plošče
Mikrovalovne pečice
Vgradne pečice
Vgradne parne pečice
Kuhinjske nape
Pomivalni stroji
Pisarniški elementi
Pisarniške mize nastavljive
Podnožja za mize nastavljive
Pisarniške noge za mizo
Nosilci nadpolic
Nosilci računalnika
Izvlečne police in pribor
Pokrovi za kabel
Brezžični polnilniki telefona
Kopalniški elementi
Kopalniški umivalniki
Kopalniške armature
Kopalniške svetilke
Dozirniki za tekoče milo
Držala za brisače
Kopalniški dodatki
Luči
Luči LED notranje
Zunanje LED svetilke
Zunanji LED reflektorji
Senzorji gibanja
LED svetilni trak
Elektro material
Senzorji,stikala za omare
LED-pretvorniki
Razdelilci-časovne stikalne ure
Električni podaljški
Izvlečne in potopne vtičnice
Vgradne vtičnice
Notranja vrata Solido
Notranja vrata Solido bela Smart
Notranja vrata Solido Smart z izrezom
Notranja vrata SOLIDO Creativ bela
Notranja vrata Solido bela mat Trend
SOLIDO notranja vrata Trend brez izvrtin
Notranja vrata SOLIDO bukev Smart
SOLIDO notranja vrata svetli hrast Smart
SOLIDO notranja vrata sv. hrast Smart izrez
Stilska notranja vrata SOLIDO Gloriette 102, belo
Podboji za vrata SOLIDO
Podboj SOLIDO Smart beli desni
Podboj SOLIDO Smart beli levi
Podboj SOLIDO Trend beli desni
Podboj SOLIDO Trend beli levi
Podboj SOLIDO Smart bukev desni
Podboj SOLIDO Smart bukev levi
Podboj SOLIDO Smart sv.hrast desni
Podboj SOLIDO Smart sv.hrast levi
Tesnila,police,nabiralniki
Notranje okenske police pvc
Zunanje okenske police alu
Poštni nabiralniki
Tesnila za vrata in okna
Zaključni natični profil
Podi, letve in podloge
Vinilni podi
Zaključna letev za vinil TILO
Podeželski podi
Ladijski pod SOLIDO
Laminatni podi Kaindl
Laminatni podi FLOORganic XPT
Laminatni podi XPT Supreme Natural Touch
Laminatni podi XPT Select Natural Touch
Laminatni podi XPT Supreme Easy Touch
Laminatni podi Classic Touch
Laminati podi Natural Touch ...
Laminatni podi AQUA PRO WOOD
Laminatni podi AQUA PRO supreme
Laminatni podi AQUA PRO select
Zaključne letve za laminat ....
Vinilne talne obloge Kaindl
Zaključna letev za vinil
Podloge za pode
Alu profili za pode
Nosilci stebrov Pitzl
Balkonski stebri Pitzl
Kolesa s pnevmatiko
Lesni program
Dekorativne plošče
COLOURline Classic
COLOURline Creative
Antifingerprint Optiboard
Antifingerprint Opti Faced Board
ARTline dekorji
ARTline FabricART
ARTline MetalART
ARTline ConcreteART
ARTline StoneART
WOODline Natural
WOODline Classic
Akustični in stenski paneli
Delovne plošče
Kaindl klasične delovne plošče
Kaindl delovne plošče z ABS trakom
Kaindl delovne plošče 38mm proti prstnim odtisom
Kaindl delovne plošče SLIMLINE
Kronospan Slim line Plus plošče
Zaključne letve za delovne plošče
Hrbtišča delovnih plošč
Ultrapas - (laminat)
Ultrapasi COLOURline Classic
Ultrapasi COLOURline Creative
Ultrapasi proti prstnim odtisom
Ultrapasi WOODline Classic
Ultrapasi WOODline Natural
Ultrapasi ARTline dekorji
Ultrapasi delovnih plošč
Ultrapasi ALU dekorji
Ultrapasi vratni format
REALwood-furnirane plošče
OAKwood furnirane plošče
HARDwood furnirane plošče
SOFTwood furnirane plošče
Trak robni ABS
Lesna galanterija
Mozniki leseni
Mozniki palica
Lamelce za spajanje
Smolike-smolna krpa
Grče lesene
Lesene pokrivne kapice
Lesomal MDF dekor
Iverna plošča surova
OSB plošče
HPL plošče
Kompakt plošče
MPB plošče
MDF plošče
MDF ali mediapan plošče
MDF dekor plošče
HDF plošče in Topan MDF
MDF AKRILNE plošče
Lisocore in Iverokal plošče
Vezane plošče
Vezane plošče T-FIX
Vezane plošče breza
Vezane plošče bukev
Vezane plošče topol
Vezane plošče bor
Samolep. pok. kapice
Prosti čas
Vrtno orodje
Vrtni program
Lesene vrtne hiške
Kovinske vrtne hiške
Žari in pribor
Žari na oglje
Plinski žari
Električni žari
Posebni žari
Vrtni kamini
Pribor za žar
Oglje za žar
Vrtno pohištvo
Vrtne klopi
Vrtne garniture
Vrtni ležalniki
Igrala za otroke
Gugalnice
Vrtna igrala
Trampolini
Bazeni
Bazeni s kov. konstrukcijo
Oprema za kampiranje
Šotori
Paviljoni
Spalne vreče
Dodatki za šotore
Kamp pripomočki
Poletna oprema
Napihljive blazine
Plavalni pripomočki
Napihljivi čolni
Plažne ležalke
Plažni šotori
Novo
Iskanje
Blog
Kontakt
Meni
Domov
Delavnica
Orodje
Ročno orodje
FESTOOL kovčki za orodje
Mizarska dleta leseni obliči
Stege mizarske
Klešče Wiha ,Knipex,Gedore
Noži olfa-noži za furnir
Škarje za papir in železo
Izvijači pz - ph - tx - ravni
Ključi viličasti obročni imbus
Ročne žage in pop neti
Detektorji-vlagomer-primeži
Kotne glave kovinske
Kladiva sekire pile rašple
Žične ščetke - krtače
Pleskarsko orodje
Svinčniki - krede
Metri in merila
Laserji-stojala za laser
Kotniki kotomeri
Vodne tehtnice
Označevalne vrvice-prah
Povezovalni trakovi
Ročni spenjači sponkači
Kovčki torbice vozički
Snemalci ležajev,jermenic
Točkala,sekači,izbijači,prebijala
Pripomočki razno
ELEKTRIČNO ročno orodje
FESTOOL električno orodje
FESTOOL sesalniki
Kompaktni sesalnik
Sesalnik za delavnico
Sesalnik za gradbišča
Čistilni sesalnik
Sesalnik za azbest
Sesalnik za systainer
FESTOOL čistilec zraka
FESTOOL ročne žage
FESTOOL rezkalniki
FESTOOL brusilniki
FESTOOL skobeljni stroji
FESTOOL DOMINO sistem
FESTOOL vbodne žage
FESTOOL vrtalni stroji
FESTOOL robna lepilka
FESTOOL vakum črpalka
FESTOOL diamantni sistem
FESTOOL tračni brusilniki
FESTOOL obnovitveni frezer
FESTOOL rotacijski polirniki
FESTOOL Mečne žage
FESTOOL dodatki
FESTOOL sesalci dodatki
FESTOOL filter vrečke
FESTOOL čistilne garniture
FESTOOL glavni filtri
FESTOOL sesalne cevi
FESTOOL čistilni pripomočki
FESTOOL podaljški cevi
FESTOOL sistemski dodatki
FESTOOL žage dodatki
FESTOOL kopirni obroči
FESTOOL ležaji rezkarjev
FESTOOL vpenjalne matice
FESTOOL priklopni kabel
FESTOOL brusne plošče
Milwaukee električno orodje
Vrtalniki in udarni vrtalniki
Vijačniki in udarni vijačniki
Kotni brusilniki Milwaukee
Krožne žage Milwaukee
Vbodne žage Milwaukee
Večnamenske žage
Zajeralna žaga in mize
Tračne žage Milwaukee
Vrtalna kladiva SDS-plus
Vrtalna kladiva SDS-max
Brusilniki Milwaukee
Rezkalnik lamelnih utorov
Rušilna kladiva Milwaukee
Diamantni vrtalniki-rezkalniki
Magnetni vrtalniki
Sesalniki Milwaukee
Milwaukee pribor
Makita električno orodje
AEG električno ročno orodje
Lamello tehnologija spajanja
HOLZMANN MASCHINEN
ACCU ročno orodje
FESTOOL accu orodje 18V
FESTOOL ACCU žage 18 V
FESTOOL ACCU vrtalke
FESTOOL ACCU vbodne
FESTOOL ACCU brusilniki
FESTOOL ACCU kotni
FESTOOL ACCU kladiva
FESTOOL ACCU rezalnik
FESTOOL accu izvijač
FESTOOL accu bat/polnilci
FESTOOL ACCU domino
FESTOOL ACCU rezkar
FESTOOL accu sesalniki
FESTOOL accu orodje 12V
Milwaukee accu orodje 12V
Vijačniki 12V Milwaukee
Udarni vijačniki 12V
Kotni vijačniki 12V
Udarne račne 12V
Vrtalna klad. SDS plus 12V
Kotni brusilniki 12 V
Polirniki 12V Milwaukee
Večnamensko orodje 12V
Krožne žage 12V
Vbodne žage 12V
Tračne žage 12V
Mazalke,kit pištole 12V
Akumulatorske baterije 12V
Polnilniki 12V Milwaukee
Seti orodij 12V Milwaukee
Milwaukee accu orodje 18V
Udarni vijačniki-vrtalniki 18 V
Udarni vijačniki 18 V
Kotni vijačniki-vrtalniki 18 V
Kombinirana vrtalna kladiva
Pištole za kit 18 V
Premi brusilniki 18 V
Kotni brusilniki 18 V
Zabijalnik žebljev in sponk 18 V
Večnamenske žage 18 V
Večnamensko orodje 18 v
Skobeljniki 18 V Milwaukee
Vbodne žage accu 18 V
Feni za vroč zrak 18 V
Krožne žage accu 18 V
Polirniki 18 V Milwaukee
Škarje - klešče 18 V
Tračne žage 18 V Milwaukee
Zajeralne žage accu 18V
Svetilke 18 V Milwaukee
Akumulatorske baterije 18V
Mazalke 18 V Milwaukee
Polnilniki 18 V Milwaukee
Ekscentrični brusilniki 18V
Sesalniki 18 V Milwaukee
Radijski sprejemniki 18 V
Seti orodij 18 V Milwaukee
Vrtna orodja 18 V Milwaukee
Milwaukee accu orodje 28V
Milwaukee MXF accu orodja
Makita accu orodje 18 V
Pnevmatsko orodje
Kompresorji za zrak
Spenjači pnevmatski za les
FESTOOL brusilniki na zrak
Sponke palične za spenjače
Žeblji za spenjače
Žebljički za spenjače
Kartuše za zrak
Iglice za spenjače
Cevi za zrak
Pnevmatski pribor
Rezilno orodje
Kronske žage HSS
Kronske žage HM
Listi za krožne žage
FESTOOL listi za žage
FESTOOL rezila vbodne
Listi za vbodne žage
Listi lisičji rep
FESTOOL rezila rezkarjev
Nadrezkarji HM za les
Grezila za les in kovino
Navojna rezila
Rezkarji za les
Svedri les,kovina,beton,pvc
Svedri za vrtanje v les
Svedri za umetno maso in les
Svedri za vrtanje v kovino
Svedri za vrtanje v beton
Svedri za keramiko in steklo
Svedri mozničarji
FESTOOL diamantne rezalke
Noži rezila za rezkar
Multi funkcijsko orodje
Vijaki in pribor
Vijaki SPAX
Vijaki SPAX za lesene terase A2/A4
Vijaki SPAX za lesene fasade A2
Vijaki SPAX za ALU terase A2
Vgreznjena glava PZ WIROX
Vgreznjena glava PZ YELLOX
Vgreznjena glava TX WIROX
Vgreznjena glava TX inox A2
Vijaki SPAX vgr. glava TX črni
Bombirana glava PZ WIROX
Bombirana glava TX inox A2
Lečasta glava PZ WIROX
Vijaki za masivo WIROX
Krožna glava TX WIROX
Vijak za akustične panele
Vijaki zidni TX 30 WIROX
Vijaki Spax Fex-A in Fex-KS
Vijaki Spax za MDF WIROX
Vijaki za hrbtišče WIROX
Vijak za korpus omare
Vijaki SPAX za polaganje
Spax pripomočki
SPEED iverni vijaki
SPEED vijak z ugr. glavo, 3.0 x ..
SPEED vijak z ugr. glavo, 3.5 x ..
SPEED vijak z ugr. glavo, 4.0 x ..
SPEED vijak z ugr. glavo, 4.5 x ..
SPEED vijak z ugr. glavo, 5.0 x ..
SPEED vijak z ugr. glavo, 6.0 x ..
Vijačni pribor
Zidni vložki MUNGO,FISCHER
Vijačni nastavki
Držala za nastavke
Matice razne metrični navoj
Navojne palice
Podložke cinkano
Cevne objemke
Napenjalci za žico
Vijaki montažni
Vijaki za post. okovje
Vijaki povezovalni-stojni
Vijaki za mavčne plošče
Vijaki euro sistemski
Vijaki za ročaje
Vijaki vezni
Vijaki za pločevino
Brušenje,predalniki,čistila
Brusni papir Bohr,3M
Brusni papir Festool
Brusilni lamelni disk
Brusilna pahljača
Rezalno brusne plošče
Rezkalni nastavek
Brusilni nastavek
Izdelki za poliranje
FESTOOL podloge za poliranje Ø 80
FESTOOL podloge za poliranje Ø 150
FESTOOL podloge za poliranje Ø 180
FESTOOL podloge za poliranje Ø 200
FESTOOL Podloge Za Poliranje Ø 230
FESTOOL pasta za poliranje .
PASTA ZA POLIRANJE 3M
Transport
PVC predalniki,zaboji
Čistila za čiščenje
Lepila,kiti,premazi,spreji
Zaščitni spreji
Kiti za les
Lepila in lepljenje
Tesnilne mase-silikoni
Korekturni voski
Mehki korekturni voski
Trdi korekturni voski
Korekturni flomastri
Pribor za delo
Lepilni trak
Poliuretanska pena
Injekcijske malte
Preše-pištole za kit-pur
ILVA lesni premazi
Oblačila in zaščitna oprema
Delovne hlače in pasovi
Puloverji in majice
Jakne in brezrokavniki
Nogavice in kape
Delovni čevlji
Zaščitne rokavice
Zaščitna očala
Ovijalna folija
Zaščitna oprema
Vse za dom
Okovje
Pohištveno okovje Blum
Sistemi odmičnih spon
Spone clip Blum
Spone kotne clip
Spone clip ALU okvir
Ploščice clip
Spone modul
Spone za steklena vrata
BLUM REVEGO
BLUM REVEGO uno set tirnic za žep
BLUM REVEGO duo set tirnic za žep
BLUM REVEGO uno set nosilcev za spone
BLUM REVEGO duo set nosilcev za spone
BLUM REVEGO duo set vodil za tekalna kolesa
BLUM REVEGO duo/uno set za montažo, komb. vrata
BLUM REVEGO duo in uno set veznikov za žep
BLUM REVEGO pribor za montažo
Sistemi vodil BLUM
Vodila tandem delni
Tandem blumotion delni
Tandem TIP-ON delni
Tandem 19 Blumotion delni
Tandem 19 TIP-ON delni
Vodila tandem polni
Tandem blumotion polni
Tandem TIP-ON polni
Tandem 19 Blumotion polni
Tandem 19 Tip-on polni
Vodila tandem pribor
MOVENTO–760H/766H
Movento Blumotion –760H/766H
Movento TIP-ON – 760H/766H
Movento TIP-ON Blumotion –760H/766H
MOVENTO BLUMOTION 760H - izvlečna polica
Vodila movento 760/766H - pribor
Sistemi Box BLUM
Metabox delni izvlek
Delni višina N= 54 mm
Delni višina M= 86 mm
Delni višina K= 118 mm
Delni višina H= 150mm
Delni višina B= 175 mm
Delni boxside D= 239 mm
Metabox pribor
Tandembox Antaro
Antaro N=68,5mm
Antaro M=83,6mm
Antaro K=115,6mm
Antaro C=192mm-M
Antaro C=192mm al-M
Antaro D=224mm al-M
Antaro D=224mm-M
Antaro D=224mm-K
Antaro C pom.korito
Antaro D pom.korito
Antaro notr. predali
Notranji predal M=83,6mm
Notranji predal K=115,6mm
Notranji predal C=192mm
Notranji predal D=224mm-M
Notranji predal-D=224mm-K
Tandembox Intivo
Intivo N = 68,5mm
Intivo M=83,6mm
Boxcover-Pom.korito
Boxcap-Pom.korito
TIP-ON blumot. tandembox
Legrabox pure
Predal N=66,5mm
Predal M=90,5mm
Predal K=128,5mm
Predal C=177mm
Predal F=241mm
Notranji predali pure
Predal - M=90,5mm
Predal - K=128,5mm
Vmesni element – C
Enojni okvir C
Legrabox free
Predal C-177mm
Pom.korito M=90,5mm
Pom.korito C=177mm
Predal–C–vmesnik-korito
Notranji predali free
Vmesni element free – C
Enojni okvir – C
Vmesni element steklo
TIP-ON legrabox
TIP-ON blumotion legrabox
BLUM CABLOXX
BLUM MERIVOBOX
Merivobox N - 68.5 mm
Merivobox M - 91 mm
Merivobox K - 129 mm
Merivobox E - 192 mm enojni reling
Merivobox E - 192 mm-boxcover
Merivobox E - 192 mm-boxcap
Merivobox notr.predali
Merivobox notranji predal višina M - 91 mm
Merivobox notranji predal višina K - 129 mm
Merivobox notranji predal višina E - 192 mm
Merivobox notranji predal višina E1 - 192 mm
Merivobox notranji predal višina E2 - 192 mm
BLUM MERIVOBOX SETI
Merivobox seti N - 68.5 mm
Merivobox seti M - 91 mm
Merivobox seti K - 129 mm
Merivobox seti E-reling
Merivobox seti E-Boxcover
Merivobox seti M za korito
Merivobox seti E reling za korito
Ambia-line za LEGRABOX
Kovinska izvedba M / K
Lesena izvedba M / K
Kovinska izvedba C / F
Lesena izvedba C / F
Kov.izvedba-steklenice
Kuhinjski pribor
ORGA-LINE za TANDEMBOX
Kompleti standardne širine
Kombinirani kompleti
Posamični kompleti
Orga-line pribor
Sistemi dvižnih vrat
Aventos HKi
Aventos HF TOP
Aventos HL TOP
Aventos HS TOP
Aventos HK TOP
Aventos HK-S
Aventos HK-XS
Aventos HF
Aventos HS
Aventos HL
Aventos HK
Tip on za vrata
Blumotion za vrata
Servo drive Blum
Blum obdelovalni pripomočki
Expando T
BLUM SPACE
Pohištveno okovje
Pohištvene ključavnice Siso
Pohištvene ključavnice Hekna
Ključavnice za steklo
Pohištveni ročaji
Pohištveni ročaji RUJZ
Ročaji Rujz Aluminij
Ročaji Rujz kovina
Ročaji Rujz iz lesa
Ročaji Rujz Vintage
Ročaji RUJZ utopni
Ročaji Rujz dvojni
Ročaji Rujz plastika
Ročaji Rujz ročke
Številke Rujz
Ročaji za steklo
Ročaji inox
Ročaji iz jekla
Ročaji iz aluminija
Ročaji PVC
Ročaji iz zamaka
Ročaji utopni
Ročaji gumbi
Obešalniki različni
Obešalniki RUJZ
Obešalniki izvlečni
Obešalniki fiksni
Obešalniki samolepilni
Držala za steklo
Pohištvene noge
Spone steklena vrata
Pohištvena kolesa
Sistem vodil standard
Sistem vodil Accuride
Izvlečna vodila za mize
Pohištvene konzole
Regulacijske nogice
Zapahi in zaskočniki za vrata
Garniture za spajanje
Spone sklepne in vmesne
Posteljno okovje,lestev,noge
Mizna kotna vez,mizne spone
Centrirni čepi
Spustni in dvižni sistemi
Drsniki pohištveni
Nosilci polic
Nosilci vis.elementov
Kotniki pohištveni
Pribor za čevlje
Cevi in nosilci cevi
Stavbno okovje
Kljuke in bunke za vrata
Ključavnice za vrata
Ključavnice drsna vrata
Ključavnice kov. vrata
Ključavnice na magnet
Ključavnice večtočkovne
Spone za steklena vrata
Ključavnice steklena vrata
Cilindrični vložki
Dodatki za ključavnice
Obešanke ključavnice
Nevidna nasadila
Nasadila za vrata
Šablone za nasadila
Elektromagneti za vrata
Kapice za nasadila
Blažilci in vratni ročaji
Prezračevalne rešetke alu
Zračniki za zračenje
Varnostni opornik
Držala nosilci za ograjo
Avtomati za rolete in pololive
Nasadila nihajna vrata
Varilne spone-tečaji
Kukala in tolkala za vrata
Samozapirala za vrata
STILI-regalni sistem
Kompakt okovje Inox
Spone in pribor za savne
Okovje za tuš kabine
Vodila drsna vrata do 80 kg
Vodila drsna vrata do 500kg
Seti drsnih vrat
Stekla in les drsnih vrat
Drsno okovje Slider
Pohištveni elementi
Kuhinjski elementi
Koši za smeti
Pomivalna korita
Kuhinjske armature
Koši in košare za perilo
Izvlečne košare
Izvlečne kolone
Kotni elementi
Podnožja pvc za omare
Vložki za pribor PVC
Protizdrsna podloga
Sifoni za umivalnike
Dodatki za elemente
Kuhinjski aparati
Indukcijske plošče
Steklo keramične plošče
Mikrovalovne pečice
Vgradne pečice
Vgradne parne pečice
Kuhinjske nape
Pomivalni stroji
Pisarniški elementi
Pisarniške mize nastavljive
Podnožja za mize nastavljive
Pisarniške noge za mizo
Nosilci nadpolic
Nosilci računalnika
Izvlečne police in pribor
Pokrovi za kabel
Brezžični polnilniki telefona
Kopalniški elementi
Kopalniški umivalniki
Kopalniške armature
Kopalniške svetilke
Dozirniki za tekoče milo
Držala za brisače
Kopalniški dodatki
Luči
Luči LED notranje
Zunanje LED svetilke
Zunanji LED reflektorji
Senzorji gibanja
LED svetilni trak
Elektro material
Senzorji,stikala za omare
LED-pretvorniki
Razdelilci-časovne stikalne ure
Električni podaljški
Izvlečne in potopne vtičnice
Vgradne vtičnice
Notranja vrata Solido
Notranja vrata Solido bela Smart
Notranja vrata Solido Smart z izrezom
Notranja vrata SOLIDO Creativ bela
Notranja vrata Solido bela mat Trend
SOLIDO notranja vrata Trend brez izvrtin
Notranja vrata SOLIDO bukev Smart
SOLIDO notranja vrata svetli hrast Smart
SOLIDO notranja vrata sv. hrast Smart izrez
Stilska notranja vrata SOLIDO Gloriette 102, belo
Podboji za vrata SOLIDO
Podboj SOLIDO Smart beli desni
Podboj SOLIDO Smart beli levi
Podboj SOLIDO Trend beli desni
Podboj SOLIDO Trend beli levi
Podboj SOLIDO Smart bukev desni
Podboj SOLIDO Smart bukev levi
Podboj SOLIDO Smart sv.hrast desni
Podboj SOLIDO Smart sv.hrast levi
Tesnila,police,nabiralniki
Notranje okenske police pvc
Zunanje okenske police alu
Poštni nabiralniki
Tesnila za vrata in okna
Zaključni natični profil
Podi, letve in podloge
Vinilni podi
Zaključna letev za vinil TILO
Podeželski podi
Ladijski pod SOLIDO
Laminatni podi Kaindl
Laminatni podi FLOORganic XPT
Laminatni podi XPT Supreme Natural Touch
Laminatni podi XPT Select Natural Touch
Laminatni podi XPT Supreme Easy Touch
Laminatni podi Classic Touch
Laminati podi Natural Touch ...
Laminatni podi AQUA PRO WOOD
Laminatni podi AQUA PRO supreme
Laminatni podi AQUA PRO select
Zaključne letve za laminat ....
Vinilne talne obloge Kaindl
Zaključna letev za vinil
Podloge za pode
Alu profili za pode
Nosilci stebrov Pitzl
Balkonski stebri Pitzl
Kolesa s pnevmatiko
Lesni program
Dekorativne plošče
COLOURline Classic
COLOURline Creative
Antifingerprint Optiboard
Antifingerprint Opti Faced Board
ARTline dekorji
ARTline FabricART
ARTline MetalART
ARTline ConcreteART
ARTline StoneART
WOODline Natural
WOODline Classic
Akustični in stenski paneli
Delovne plošče
Kaindl klasične delovne plošče
Kaindl delovne plošče z ABS trakom
Kaindl delovne plošče 38mm proti prstnim odtisom
Kaindl delovne plošče SLIMLINE
Kronospan Slim line Plus plošče
Zaključne letve za delovne plošče
Hrbtišča delovnih plošč
Ultrapas - (laminat)
Ultrapasi COLOURline Classic
Ultrapasi COLOURline Creative
Ultrapasi proti prstnim odtisom
Ultrapasi WOODline Classic
Ultrapasi WOODline Natural
Ultrapasi ARTline dekorji
Ultrapasi delovnih plošč
Ultrapasi ALU dekorji
Ultrapasi vratni format
REALwood-furnirane plošče
OAKwood furnirane plošče
HARDwood furnirane plošče
SOFTwood furnirane plošče
Trak robni ABS
Lesna galanterija
Mozniki leseni
Mozniki palica
Lamelce za spajanje
Smolike-smolna krpa
Grče lesene
Lesene pokrivne kapice
Lesomal MDF dekor
Iverna plošča surova
OSB plošče
HPL plošče
Kompakt plošče
MPB plošče
MDF plošče
MDF ali mediapan plošče
MDF dekor plošče
HDF plošče in Topan MDF
MDF AKRILNE plošče
Lisocore in Iverokal plošče
Vezane plošče
Vezane plošče T-FIX
Vezane plošče breza
Vezane plošče bukev
Vezane plošče topol
Vezane plošče bor
Samolep. pok. kapice
Prosti čas
Vrtno orodje
Vrtni program
Lesene vrtne hiške
Kovinske vrtne hiške
Žari in pribor
Žari na oglje
Plinski žari
Električni žari
Posebni žari
Vrtni kamini
Pribor za žar
Oglje za žar
Vrtno pohištvo
Vrtne klopi
Vrtne garniture
Vrtni ležalniki
Igrala za otroke
Gugalnice
Vrtna igrala
Trampolini
Bazeni
Bazeni s kov. konstrukcijo
Oprema za kampiranje
Šotori
Paviljoni
Spalne vreče
Dodatki za šotore
Kamp pripomočki
Poletna oprema
Napihljive blazine
Plavalni pripomočki
Napihljivi čolni
Plažne ležalke
Plažni šotori
Novo
Iskanje
Blog
Kontakt
Domov
/
Vse za dom
/
Okovje
/
Pohištveno okovje
/
Pohištvene konzole
/
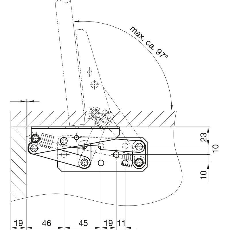
Okovje za klopi, z vzmetjo, kot odpiranja 95°, Fe, cinkano par
Okovje za klopi, z vzmetjo, kot odpiranja 95°, Fe, cinkano par
Okovje za klopi, z vzmetjo, kot odpiranja 95°, Fe, cinkano-V setu:1 x pohištvene škarje, desno,1 x pohištvene škarje, levo
Bodite prvi in ocenite ta artikel
Proizvajalec:
Različni proizvajalci
Kataloška številka:
103318583
Enota:
PAR
EAN:
9006398425082
Datum dostave:
3-7 delovnih dni
49,72 € z DDV
brez
dostave
Količina:
Poslati v
Izberite državo
Slovenija
Austria
Belgium
Bulgaria
Croatia
Cyprus
Czech Republic
Denmark
Estonia
Finland
France
Germany
Greece
Hungary
Ireland
Italy
Latvia
Lithuania
Luxembourg
Malta
Netherlands
Poland
Portugal
Romania
Slovakia (Slovak Republic)
Spain
Sweden
*
Drugo
*
Način pošiljanja
Ime
Predviden čas dostave
Cena
Ni možnosti pošiljanja
Okovje za klopi, z vzmetjo, kot odpiranja 95°, Fe, cinkano par.
Okovje za klopi, z vzmetjo, kot odpiranja 95°, Fe cinkano
Izvedba:
z vzmetjo
Material:
jeklo, cinkano
Za klopi z oblazinjenjem debeline 40-50 mm,
kot odpiranja 95°
V setu:
1 x pohištvene škarje, desno,
1 x pohištvene škarje, levo
S piškotki si pomagamo pri zagotavljanju storitev. Z uporabo naših storitev se strinjate z našo uporabo piškotkov.
v redu
Preberite več