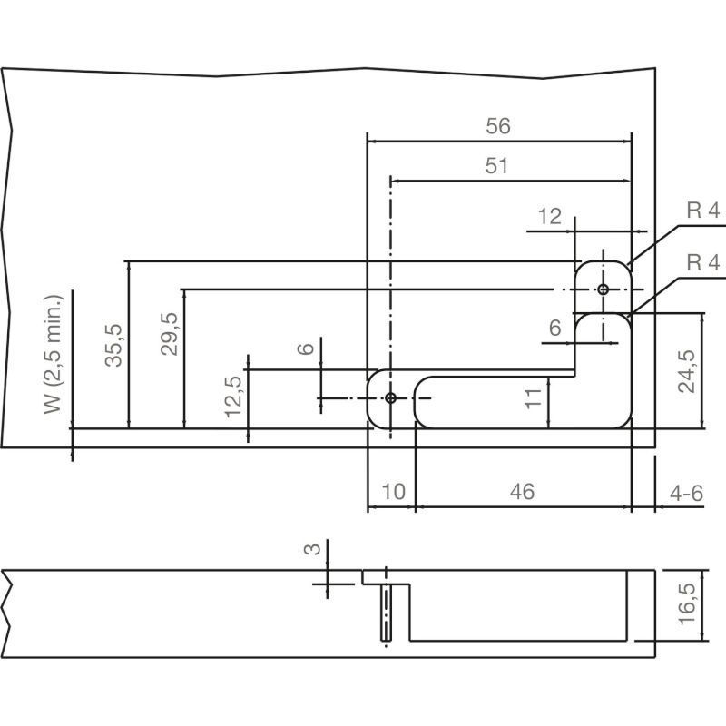
- Skrita spona.
- 3-dimenzionalno nastavljivo: vodoravno ±2 mm; globina +2/-0,5 mm; navpično ±1,5 mm.
- Uporabna za debeline vrat med 18-32 mm.
- Največja širina vrat je 600 mm.
- Največja višina vrat je 2000 mm.
- Največja možna teža sprednje stranice sme biti 16 kg.
Nasvet:
mera "S" je odvisna od konstrukcije pohištva. Tu je treba upoštevati načrtovano mero pripire sprednjih stranic.
